行业动态
建筑技术丨某既有建筑下挖增设地下室改造加固设计与施工
来源:admin 浏览量: 发布时间:2025-12-01 19:13:01
1 工程概况
该既有建筑位于甘肃省平凉市静宁县城关镇,建成于2022年,原设计结构形式为地上1层钢筋混凝土框架结构,设计使用年限为50年,建筑结构的安全等级为二级,框架柱、梁、板设计混凝土强度等级均为C 30。该建筑抗震设防类别为标准设防类(丙类),所在地区抗震设防烈度为8度,设计基本地震加速度为0.20 g,设计地震分组为第三组,场地类别为Ⅱ类,特征周期为0.45 s,结构抗震等级为二级。该建筑地基基础设计等级为丙级,基础采用干作业机械成孔灌注桩基础,桩端持力层为角砾,原设计按端承桩考虑,桩顶设置尺寸为1 200 mm×1 200 mm×800 mm的矩形承台,建筑桩基设计等级为丙级,桩基及其承台设计混凝土强度等级均采用C 35。该建筑1层层高5.40 m,局部出屋面装饰层层高3.60 m,室内外高差为0.30 m,建筑总长约45.00 m,总宽约16.60 m,总建筑面积约为815.92 m2。原结构底层(–0.100 m标高处)结构平面布置如图1所示。

图1 原结构底层(–0.100 m标高处)结构平面布置示意
该建筑原设计功能为该住宅小区售楼中心,现因使用功能需求,拟将其室内地坪下挖并将桩基改做框架柱使用增设1层地下室,并将改造后的建筑作为超市使用,故需对该原结构进行改造加固设计。
2 原结构复核
根据改造后的建筑结构布置及建筑使用功能要求,依据现行国家规范、标准对该结构进行计算与分析,并与原设计进行对比。
2.1 主要荷载取值
依据GB 55001—2021《工程结构通用规范》及GB 50009—2012《建筑结构荷载规范》规定,该建筑主要可变荷载取值如下:商店4.0 kN/m2、不上人屋面0.5 kN/m2、楼梯间3.5 kN/m2、施工可变荷载5.0 kN/m2。
2.2 复核结果
采用PKPM2023 V1.5.1.1对改造后结构进行分析与计算,并与原设计对比得出如下结论。
(1)原结构桩基改做框架柱增设地下室后,其原有基础梁的承载力及构造均不满足设计要求。
(2)原灌注桩桩身改做框架柱使用后其承载力及构造均不满足设计要求。
(3)原桩基础为端承桩,桩基改柱增设地下室后,4/B、4/C、7/B、7/C位置处的柱底轴力标准值均大于原设计单桩竖向承载力特征值,基桩承载力不满足设计要求。
(4)改造后该建筑原上部结构的承载力、刚度及位移角等参数均满足设计要求。
3 改造加固设计
根据建设单位要求及使用功能需求,将原灌注桩基础的群桩之间的部分土方挖除后增建1层地下室。本次改造设计综合考虑建筑的净高要求及通风、消防、电气等设施的布置需求及现场实际情况,新增地下室层高设计为4.5 m。
依据国家现行标准GB 50367—2013《混凝土结构加固设计规范》及JGJ 116—2009《建筑抗震加固技术规程》的相关规定,同时综合考虑加固施工的难易程度与经济性,采用如下改造加固方案。
(1)经电算分析,原设计基础梁作为新增地下室的楼层梁使用时,其承载力不满足设计要求。考虑施工难易程度及便于地下室顶板钢筋的铺设与锚固,同时保证既有建筑立面的完整,故除将原建筑外围填充墙砌筑所在基础梁保留外,其余基础梁均采用静力切割工艺全部切除,对地下室顶板进行重新设计与施工。
(2)原桩身改做框架柱使用后,其承载力及构造均不满足设计要求,为便于新增地下室顶板钢筋的锚固,设计采用增大截面法对其进行加固,使其满足承载力及构造要求。
(3)原结构增设地下室后,相应的柱荷载增大,抽柱部位左右两侧4根框架柱柱底轴力标准值均超过原设计单桩竖向承载力特征值。为满足桩基础承载力要求,同时减小楼层梁截面高度,增大地下室结构净高,故采用在该抽柱部位新增基桩、新增框架柱方式以满足设计要求。
(4)原桩身改做框架柱使用后,在该框架柱底部新增桩基承台,保证框架柱的荷载有效传递至桩基础。
(5)增设地下室后,新增基础防水板作为地下室底板,并增设地下室外墙及楼梯,以满足建筑的使用功能要求。
4 改造加固施工
本工程改造加固施工涉及到原桩基群桩之间土方的挖除、新增基桩及承台的施工、新增防水底板及地下室外墙的施工、原桩基改做框架柱的加固施工及新增地下室顶板的施工等方面。
4.1 基坑开挖与地基处理
根据现场实际情况,采用放坡或支护的方式将原有基础的群桩之间的部分土方挖除,当采用机械开挖时,应严格控制机械开挖的深度,在基坑开挖至基底设计标高以上400 mm时应改为人工开挖清底,且基坑开挖时严禁超挖,以避免对基底以下土层产生扰动,同时土方开挖完成后应立即进行垫层施工对基坑进行封闭,防止基坑浸水和暴露,并应及时进行地下室结构的施工。此外,基坑在开挖至设计标高后,在基础防水底板施工前应对原地基土进行夯实碾压处理,保证压实系数不小于0.94。
4.2 新增基桩、承台及防水底板施工
经复核,在该建筑5/B、5/C、6/B、6/C部位新增基桩及框架柱后,该建筑各柱底的轴力标准值均小于原设计的单桩竖向承载力特征值,原桩基承载力能够满足JGJ 94—2008《建筑桩基技术规范》要求。
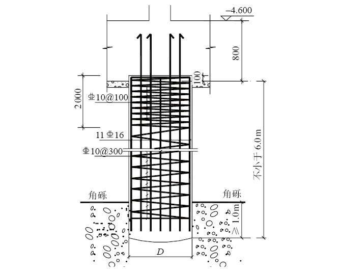
基坑在开挖达到设计标高后即可进行新增基桩及承台的施工,新增基桩的设计桩径与原基桩相同,均为800 mm,新增基桩采用人工挖孔灌注桩,桩端持力层为角砾,桩身配筋与原基桩相同,基桩结构如图2所示。

图2 新增基桩结构示意
现地下室底板桩顶位置处均增设承台,原基桩顶部新增承台尺寸为1 600 mm×1 600 mm×1 100 mm,混凝土强度等级较原设计提高一级,即为C 40;新增基桩顶部承台尺寸为1 200 mm×1 200 mm×800 mm,混凝土强度等级为C 35。基桩新增承台采用双层双向配筋,钢筋配置通过计算确定并满足构造要求。原基桩新增承台内钢筋在原桩身范围内的部分,通过钻孔并用A级植筋胶在原桩身混凝土内锚固。新增基桩及其承台部分按新建建筑正常工序进行施工即可。
待原地基土达到规定的压实系数且新增基桩及全部承台钢筋施工完成,并复核标高达到设计要求后,即可进行基础垫层及防水底板的施工。本设计垫层采用100 mm厚C 15素混凝土垫层,防水板厚度为300 mm,混凝土强度等级为C 35,钢筋双层双向配置,均采用12@150 mm。防水板承台范围内纵向钢筋伸入原桩基新增承台内锚固,原桩基新增承台单侧外伸宽度为400 mm,能够满足防水板纵向钢筋的直锚要求。
为防止防水板及地下室外墙混凝土因温度、收缩不均而产生裂缝,在地下室结构中部设置1道温度后浇带,沿结构同一位置自上而下通高布置。后浇带宽度为800 mm,其内纵向钢筋不截断,待两侧结构混凝土浇筑完毕后45 d进行封闭,封闭时采用比两侧混凝土强度等级提高一级的微膨胀混凝土浇筑,其两侧模板待后浇带混凝土强度达到100 %后拆除。防水板后浇带及地下室外墙后浇带作法分别如图3、图4所示。

图3 防水板后浇带作法示意

图4 地下室外墙后浇带作法示意
4.3 桩基改柱加固施工
该既有建筑原设计采用干作业机械成孔钢筋混凝土灌注桩基础,桩径为800 mm,桩长不小于10 m,按端承桩设计,桩端持力层为角砾,桩顶设置尺寸为1 200 mm×1 200 mm×800 mm的矩形承台,桩身及承台混凝土强度等级均为C35。原基桩改为框架柱使用后,其承载力及构造均不满足设计要求,本设计采用增大截面法对其进行加固,加固后柱截面尺寸为1 200 mm×1 200 mm。按照GB 50367—2013《混凝土结构加固设计规范》规定:“结构加固用的混凝土,其强度等级应比原结构、构件提高一级”,故本设计加固新增部分的混凝土强度等级采用C40,配筋通过计算确定并满足构造要求。
为方便柱身加固新增纵向受力钢筋的锚固,减少植筋的工作量,在施工前需先将原承台进行开凿,开凿后尺寸为800 mm×800 mm×800 mm,柱身新增纵向受力钢筋顶部伸入新增地下室顶板内锚固,底部伸入原桩基新增承台内锚固,柱身新增箍筋在原承台及原桩身内部分,通过钻孔并用A级植筋胶在原承台及原桩身混凝土内锚固。
柱身采用增大截面法加固时,原混凝土基面的处理对保证结构质量及构件的二次受力十分重要。加固施工前应先将原基桩混凝土表面的石子、泥沙、松散的混凝土凿除直至混凝土密实处,界面经修整露出骨料新面后进行打毛或凿成沟槽,用钢丝刷等工具清除原基桩混凝土表面松动的骨料、砂砾、浮渣和粉尘,并用清洁的压力水冲洗干净,在浇筑混凝土前涂抹界面剂,充分做好新、旧混凝土连接面的质量及可靠性,从而保证新、旧混凝土的连接质量及共同受力特性。
4.4 新增地下室外墙及地下室顶板施工
新增地下室后,需设置地下室外墙以满足建筑的使用需求,地下室外墙的厚度设计为300 mm,混凝土强度等级为C35。为便于地下室外墙水平分布钢筋的施工,将地下室外墙内表面设计为与加固后柱内表面齐平,则地下室外墙内侧水平分布钢筋可直接从原基桩新增混凝土内穿过,地下室外墙外侧水平分布钢筋在原基桩处可弯折绕行通过。
原结构标高–0.100 m处设置基础梁但未设置钢筋混凝土板,为便于钢筋锚固与施工,采用静力切割工艺将原基础梁切除,重新设计并浇筑地下室顶板。按普通地下室顶板考虑,顶板厚度设计为160 mm,采用双层双向配筋,梁、板混凝土强度为C35。梁内钢筋通过钻孔并用A级植筋胶将其锚固在原桩基承台内,板内钢筋在楼层梁内锚固,承台处板内钢筋可伸入原桩基增大截面新增混凝土内锚固。
5 加固施工注意事项
工程结构改造加固施工除应遵循一般建筑工程的施工原则外,本工程尚应注意以下几个方面。
(1)加固工程施工前,应将原结构构件除自重外的荷载进行卸除,不得带荷载进行加固施工,必要时还应设置临时支撑措施,确保结构安全。
(2)原结构局部拆除采用静力切割工艺,机械应固定牢靠且运转使用正常;结构剔凿,严禁采用大锤、风镐等对原结构有重大影响的施工方法,在剔凿的交接面应轻凿,避免原结构因剔凿而产生内部裂缝。
(3)采用增大截面法加固施工时,原混凝土基面的处理对保证结构质量十分重要。加固施工前,必须做好对新旧混凝土浇筑界面的处理、凿毛,并用清洁的压力水冲洗干净浇筑界面的浮渣和粉尘,在浇筑混凝土前涂抹界面剂,充分做好新、旧混凝土连接面的质量及可靠性,保证新、旧混凝土的连接及共同受力。
(4)当结构中的钢筋需要植筋锚固时,应按照要求放线,并用钢筋探测仪探测出原混凝土构件的钢筋位置,防止原结构内主筋受到损伤;同时钻孔深度应达到设计要求,并应将孔内浮尘、砂粒等清理干净,植筋锚固部分要将钢筋表面的锈迹及其他污物清除干净,保证注胶锚固后其承载力满足设计要求。
6 结束语
地下室增层改造不仅需要根据既有建筑的结构形式及使用要求,有针对性地采取支护、加固等措施,同时改造加固设计需要解决新增混凝土构件与原有混凝土构件之间的连接问题,既要保证传力的可靠性,又要保证施工的可行性与便利性,故需要经过精心设计、精心施工,使其既能满足建筑的使用需求,又能满足结构承载的要求。
此外,在既有建筑下方开挖进行地下室增层改造,不需要对上部结构进行移动或拆除,具有施工效率高、施工成本低的有益效果,同时增层改造完成后的建筑获得额外的地下室空间,可有效地提升建筑的使用功能及使用效率,对推进既有建筑地下空间的开发利用及建筑的可持续发展具有重要意思。
摘自《建筑技术》2024年12月,马锦芳