行业动态
建筑技术丨大跨径预应力混凝土部分斜拉桥设计关键技术
来源:admin 浏览量: 发布时间:2025-09-30 22:16:56
1 项目概况
河南地区某高速公路项目中控制性工程是一座120 m+210 m+120 m的双塔单索面混凝土部分斜拉桥,桥宽为28.76 m。桥形布置如图1所示。

图1 桥形布置示意
桥址区属暖温带大陆季风气候,夏冬季时间长,春秋季时间短。年平均气温14.7 ℃,7月日均气温最高为27.6 ℃,1月日均气温最低为0.8 ℃;极端高温与低温分别为42.3 ℃、–15.3 ℃。
桥址区地貌类型为冲积平原—泛滥平坦地,项目区现状主要以农田为主。场地内特殊岩土主要为素填土、粘性土夹砂浆、软弱土,除影响较小的非全新世活动断裂外,无不良地质现象。地表水主要为水位高程76.94 m的总干渠;地下水主要第四系松散层孔隙水,实测水位标高74.800 m。
主要技术标准如下:
(1)设计速度:主线设计速度120 km/h;
(2)线路情况:双线,间距4.6 m;
(3)地震:区域内地震加速度峰值0.2 g,地震动反应谱特征周期0.4 s,对应地震烈度Ⅷ度。
2 桥型方案比选
拟建桥梁下方总干渠有渡槽通航需求,桥梁左幅附近存在1座桥面宽6 m、加宽部分宽15 m的钢桥,拟建桥梁与既有桥梁的距离不满足GB 50139—2014《内河通航标准》中安全距离大于4倍船长的要求。根据防洪及通航意见,确定主跨为210 m,边中跨按0.5~0.6考虑,即边跨应为105~126 m。综合考虑防洪通航需求、占用农田情况、工程总投资及地方政府的意见,最终确定主桥跨径布置为120 m+210 m+120 m。
拟建桥梁跨径较大,主墩较高,结合桥梁高速公路的功能定位,拟对下承式网状系杆拱桥、预应力混凝土部分斜拉桥、矮塔混合梁斜拉桥3种桥型进行方案比选,比选结果如下。
(1)下承式网状系杆拱桥。主梁为不设柔性系杆+钢混组合梁体系主拱为钢箱拱。具有结构刚度大、后期无需检修和更换柔性系杆、施工技术成熟等优点。缺点是主梁自重大、施工线形控制难度大、用钢量大,导致造价和后期维护工程量最大。
(2)预应力混凝土部分斜拉桥。主梁为预应力钢筋混凝土箱梁主塔为矩形截面钢混结构。优点是结构刚度大,主梁采用挂篮悬浇施工对既有交通影响小、经济性更优、整体景观效果好;缺点是主梁自重较大且节段数量多、施工难度大、施工周期相对较长。
(3)矮塔混合梁斜拉桥。主梁为混合梁,跨中100 m范围为钢梁主塔,为矩形截面钢混结构。其优点是主梁自重低、施工工期短、整体景观效果好。缺点是主梁采用支架现浇法施工对既有交通影响大、后期维护工程量大、造价高。
3 主桥结构设计
3.1 主塔结构设计
主塔采用矩形截面(倒角25 cm×10 cm)C 50钢筋混凝土结构。主塔高度为33.5 m(不考虑桥面纵坡);塔顶节段截面尺寸为3 m×2 m(纵桥向×横桥向)、标准段截面尺寸为5 m×2.5 m、塔底节段截面尺寸为5 m×2.8 m。拉索与主塔通过成品分丝式抗滑鞍座锚固。
3.2 主梁结构设计
主梁为变高单箱三室斜腹板箱形的C 60全预应力混凝土结构。顶板宽为28.76 m,悬臂长为4.25 m;梁高由跨中的3.5 m线性变化为墩顶位置的7 m;梁底按y=kx2,k=3.5/69.52的二次抛物线线性变化,中跨与边跨直线段长度分别为66 m与47.84 m;边室与中室顶板厚度分别为30 m与64 cm;底板厚度由跨中30 cm线性变化为支点位置100 cm;边腹板、中腹板、中支点腹板分别为65~80 cm、50~80 cm、120 cm;悬臂板端部与根部厚度分别为20 cm与75 cm。
主梁在支点及斜拉索锚固处均设有横隔板,中室、边室隔板厚度分别为50 cm与30 cm,端横梁厚度为200 cm。0号块长度为18 m,边跨现浇段长度为13.84 m,3个合龙段长度均为2 m。悬浇段标准节段长度分别为2 m×3.5 m与22 m×4 m,其中3号节段重量最大,可达423.7 t。
3.3 斜拉索设计
全桥共设置56根PES(C)新型拉索体系斜拉索,边跨与中跨各28根,拉索规格共2种,分别为43~15.2 mm、55~15.2 mm,单根吊索最长为188.6 m。C1~C 5拉索圆弧段半径为R=400 cm,其余均为R=500 cm。钢丝采用 7 mm镀锌高强钢丝,抗拉强度标准值fpk与弹性模量Ep分别为1 770 N/mm2与2×105 MPa。为避免斜拉索受到损伤,每根拉索下端距离梁面2.5 m范围外包直径2185 mm×4.5 mm的不锈钢管,钢管总长为623 m。斜拉索通过成品分丝式抗滑鞍座锚固于塔柱锚固区内壁齿块。
3.4 下部结构设计
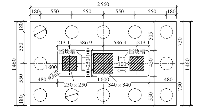
主墩采用尺寸为16 m×4.5 m的矩形截面C 40钢筋混凝土结构;承台平面尺寸为25.6 m×14.6 m,承台高5 m;桩基为直径2.2 m的钻孔灌注桩,每个主墩按横纵间距均为5.5 m,均匀布置15根桩基。桩基平面布置如图2所示。

图2 桩基平面布置示意/cm
4 主桥结构计算
4.1 主梁静力性能分析
采用Midas有限元软件对主梁施工及运营阶段时静力性能进行分析,分析结果见表1。主梁为全预应力混凝土结构,由表1可知,各阶段下主梁设计安全系数、钢绞线及混凝土应力均满足设计规范要求。
表1 施工及运营阶段主梁应力计算结果

另外,对主梁进行变形分析,分析结果表明:静可变载作用下,边跨、中跨主梁最大竖向变形分别为14.1 mm与120.9 mm,挠跨比分别为1/8 511、1/1 737;考虑最大温度作用时边跨、中跨主梁最大竖向变形分别为32.1 mm与150.3 mm,挠跨比分别为1/3 738、1/1 397。新密端及襄城端主梁转角最大值分别为0.4 187 %rad与0.8 216 %rad,均满足小于1 %rad的规范要求。则主梁变形指标也满足设计规范要求。
4.2 动力特性分析
主桥动力特性分析是抗震分析的前提,结构固有振动特性决定了其在动荷载作用下的响应。部分斜拉桥振动模式可分为垂直、纵向、横向和扭转4种模式且相互耦合,其中一种类型振动占据主导地位。主桥前8阶自振的周期、频率及振型特点见表2。
表2 主桥1~8阶自振特性

由表2可知,主桥动力特性如下:(1)主桥1阶自振周期4.852 s,频率为0.206 Hz,表现为1阶纵漂,自振周期较长,且体现为柔性结构特征;(2)1~2阶振型主桥自振频率增加较多,但2阶振型后频率缓慢而均匀增加,表现出动力特性复杂的特征;(3)由于塔墩固结体系且数值了纵向滑动铰支座,桥墩抗弯刚度提升明显,各模态下主桥自振均未出现全桥纵向漂移;(4)主桥跨度较大,但斜拉索提供的垂直支撑使主梁扭转刚度提升显著,并未出现扭转现象,抗风稳定性表现良好。
4.3 稳定性分析
4.3.1 施工阶段稳定性分析
施工阶段分析中除施工全过程外,仍需重点进行最大悬臂状态下主梁稳定承载能力分析,主要考虑荷载包括双悬臂状态下永久荷载、施工荷载及风荷载等,根据不同受力模式分为悬浇不同步施工、最不利外荷载、挂篮脱落(动力系数2.0)等工况。将自重分别视为永久荷载、可变荷载时,结构1阶模态下特征值分别为55.9与9.6,主梁稳定承载能力安全且仍有富裕。
4.3.2 运营阶段稳定性分析
成桥阶段性稳定承载能力分析全面考虑了成桥状态下的永久荷载、施工荷载、温度荷载、风荷载等作用。将自重分别视为永久荷载、可变荷载时,结构1阶模态下特征值分别为94.4与14.6,主梁稳定承载能力安全且仍有富裕。由此可知即使将自重视为可变荷载,施工阶段最大悬臂状态下、运营阶段的主梁稳定承载力均满足设计要求。
4.4 基于随机地震法的地震响应分析
4.4.1 地震波选取及输入
本研究选取最典型的EI–Centro地震波对主桥地震响应进行分析,根据场地内特征将EI波峰值加速度调幅为0.2 g,地震波持续时间为50 s。基于地震波输入方向共进行4个工况下主桥地震响应分析,分别为工况1:横桥向输入(x向);工况2:纵桥向输入(y向);工况3:竖向输入(z方向);工况4:x、y、z向同时输入。
4.4.2 随机地震模型及参数
目前随机地震理论在斜拉桥地震分析中应用较为成熟,本研究采取杜修力院士提出的随机地震模型,分析地震动输入对主梁竖向位移及主塔横向弯矩的影响。
4.4.3 计算结果分析
不同工况地震波输入下主梁竖向位移、主塔横向弯矩分别如图3、图4所示。

图3 不同工况主梁竖向位移

图4 不同工况主塔横向弯矩均方根
图3中工况1横桥向输入时主梁竖向位移几乎无变化,因此并未显示。由图4可知,主梁竖向位移主要由竖直向z的地震波控制,纵桥向y地震波对主梁竖向位移有一定影响,与横桥向地震波几乎无关;主塔横向弯矩主要由纵桥向y地震波控制。三向地震波输入时为最不利工况,此时主梁竖向位移峰值为27.6 mm,主塔横向弯矩均方根峰值为306.9 kN·m,均满足设计规范要求。
另外,三向地震输入下(最不利工况)对桩基强度进行验算,计算结果见表3。由表3可知,最不利工况下主桥基础承载力均小于允许承载力,混凝土及钢筋应力均小于强度设计值,因此最不利工况下主桥基础满足设计规范要求。
表3 工况4主桥桩基强度计算结果

5 结论
部分斜拉桥综合了连续梁桥与斜拉桥的优势。以河南地区某大跨径斜拉桥为工程背景,首先对比了预应力混凝土部分斜拉桥、下承式网状系杆拱桥、矮塔混合梁斜拉桥3种桥型方案。综合考虑地质条件、造价、施工难度、后期保养等,确定拟建桥梁采用120 m+210 m+120 m的双塔单索面混凝土部分斜拉桥,并详细阐述了主要结构设计参数。
基于数值模拟方法对施工及运营阶段的静力性能、自振特性、稳定性及地震响应进行了分析,结果表明:施工及运营阶段下,主梁内力、变形、稳定承载力均满足设计规范要求;拟建桥梁动力特性复杂、主墩抗弯刚度及主梁抗扭刚度较高,主桥抗风稳定性表现良好;三向地震输入时为主桥地震响应最不利条件,在此工况下主梁竖向位移、主塔弯矩及基础强度均满足设计规范要求,本研究成果可为同类型工程的桥型设计提供借鉴。
摘自《建筑技术》2024年10月,黄志伟